| 产品标题:韩国三和EUCR-3C 60N 220D V|韩国三和EUCR-3C电动机保护器 产品ID:VIB20090708235758734 品 牌:韩国三和EOCR 所在地:中国 上海 价 格:面议 (大量采购价格面议) 库存状态:货期待查 更新日期:2025-12-19 7:14:04 咨询电话:(+86)021-51699285 咨询Q Q: 2695337323 |
| 密集型设计 |
| 二个集成组装电流互感器 |
| 欠载保护(空转保护) |
| 宽的电流调整范围 |
| 定时限跳闸特性 |
| 手动即时复位/电动远距离复位 |
| 强的环境适应性 |
| “无-失效-安全”工作 |
韩国三和EUCR-3C 保 护
| |||||||||
| 韩国三和EUCR-3C 技术指标 | ||||||||||||||||||||||||||||||||||||||||||||||||||||||||||||||||||||||||||||||||||||||||
| ||||||||||||||||||||||||||||||||||||||||||||||||||||||||||||||||||||||||||||||||||||||||
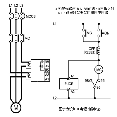
| 韩国三和EUCR-3C 典型参考图/接线图/安装尺寸图 | ||||||||||||||||||||||||||||||||||||||||||||||||||||||||||||||||||||||||||||||||||||||||
| ||||||||||||||||||||||||||||||||||||||||||||||||||||||||||||||||||||||||||||||||||||||||

